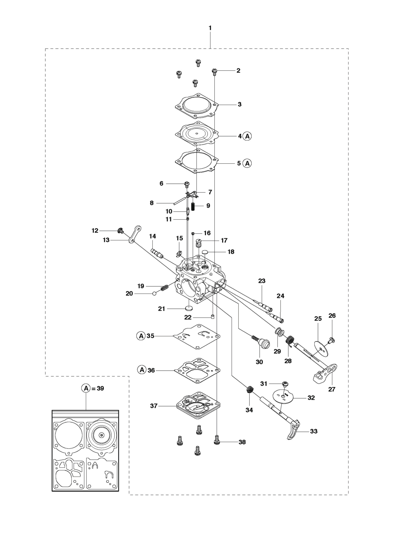
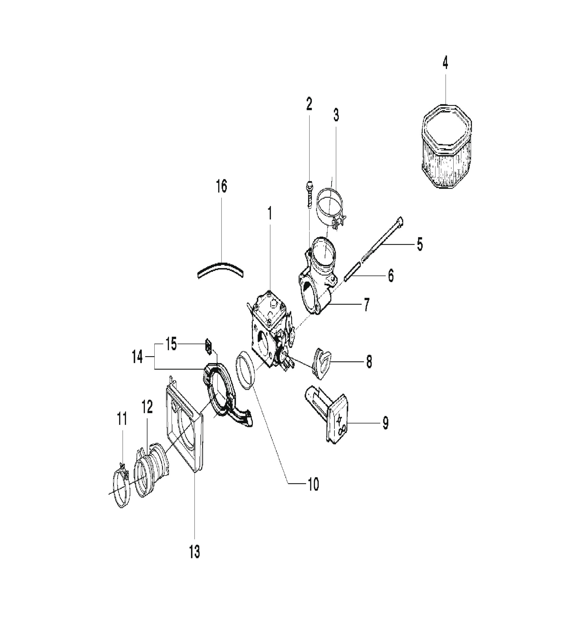
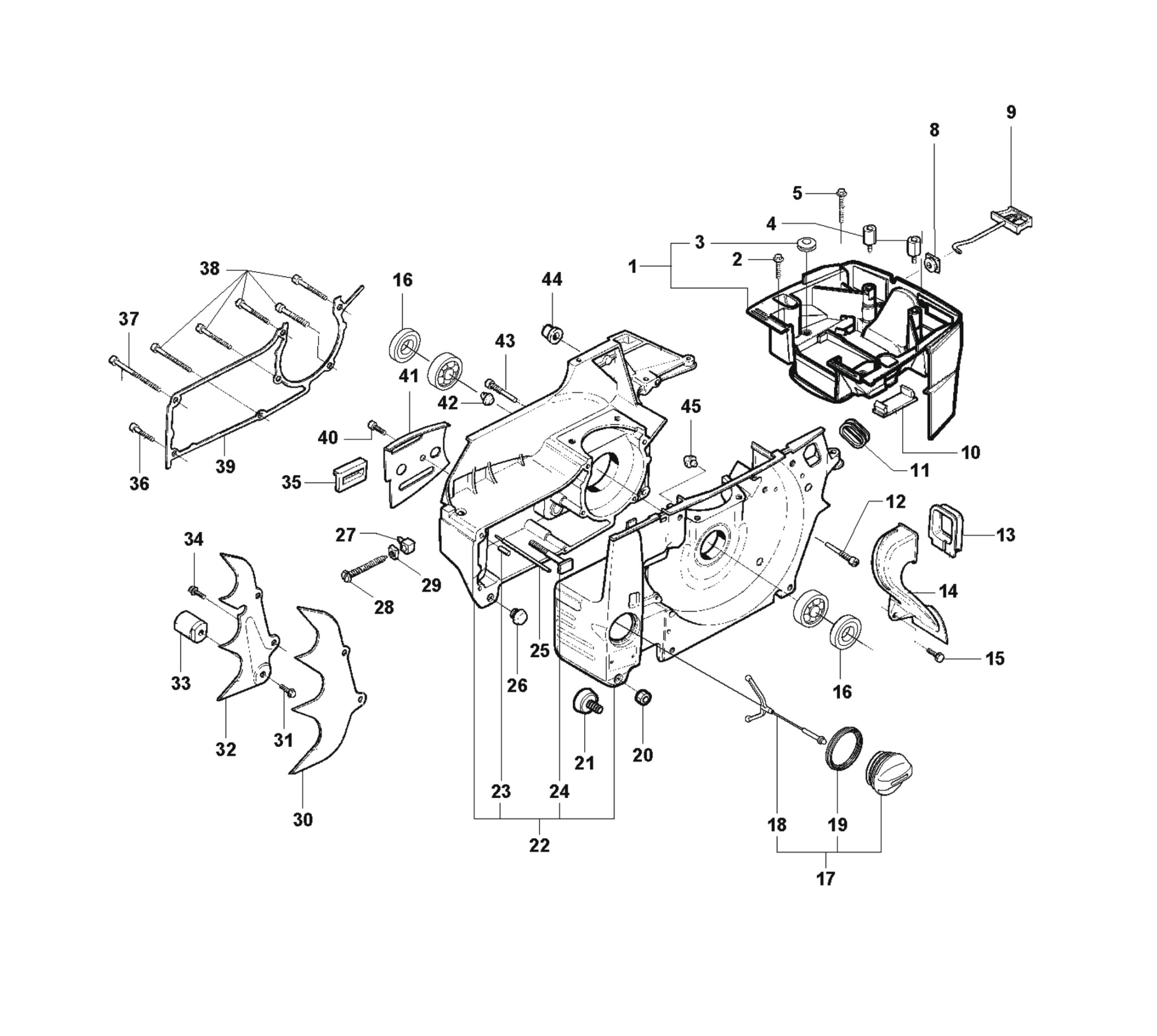
Diagrama IPL Husqvarna 395XP 93.6 CC Motosierra 2010-06

Buscador interno

Secciones

Elige la sección de la cual quieres ver las partes.


Refacciones

Estas son algunas refacciones de este diagrama...

Ver todas las refacciones de este diagrama
Ver todas las refacciones de este diagrama

Equipos compatibles

Este diagrama es compatible con los siguientes articulos.
Marca Articulo Estatus
395XP-36S - MOTOSIERRA HUSQVARNA 395XP BARRA 36" SOLIDA - 93.6CC 6.6HP El articulo no se encuentra a la venta.
395XP-30S - MOTOSIERRA PROFESIONAL HUSQVARNA 395XP BARRA SOLIDA 30" Este articulo se encuentra a la venta.
Ayuda

Contáctanos
Horario de atencion
Lunes a Viernes de 9:00am - 6:00pm
Sabados de 9:00am - 2:00pm
WhatsApp
7712402048
Ayuda