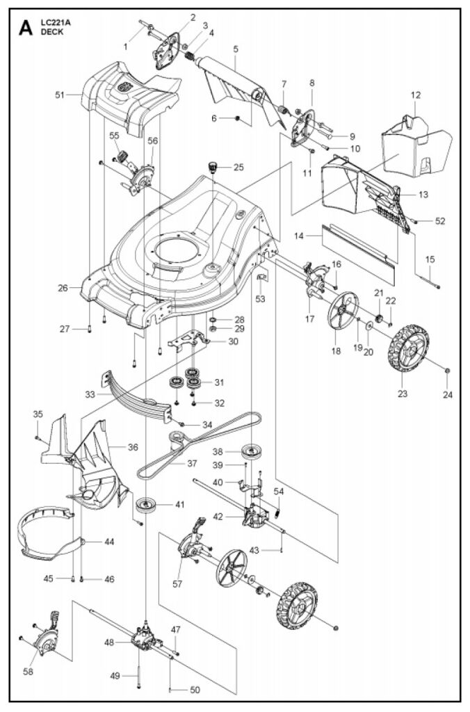
Diagrama IPL Husqvarna Podadora LC221A 163 CC

Buscador interno

Secciones

Elige la sección de la cual quieres ver las partes.


Refacciones

Estas son algunas refacciones de este diagrama...

Ver todas las refacciones de este diagrama
Por el momento el diagrama no tiene refacciones asignadas, favor de consultarlo más adelante.Array
Ver todas las refacciones de este diagrama
Ayuda

Contáctanos
Horario de atencion
Lunes a Viernes de 9:00am - 6:00pm
Sabados de 9:00am - 2:00pm
WhatsApp
7712402048
Ayuda