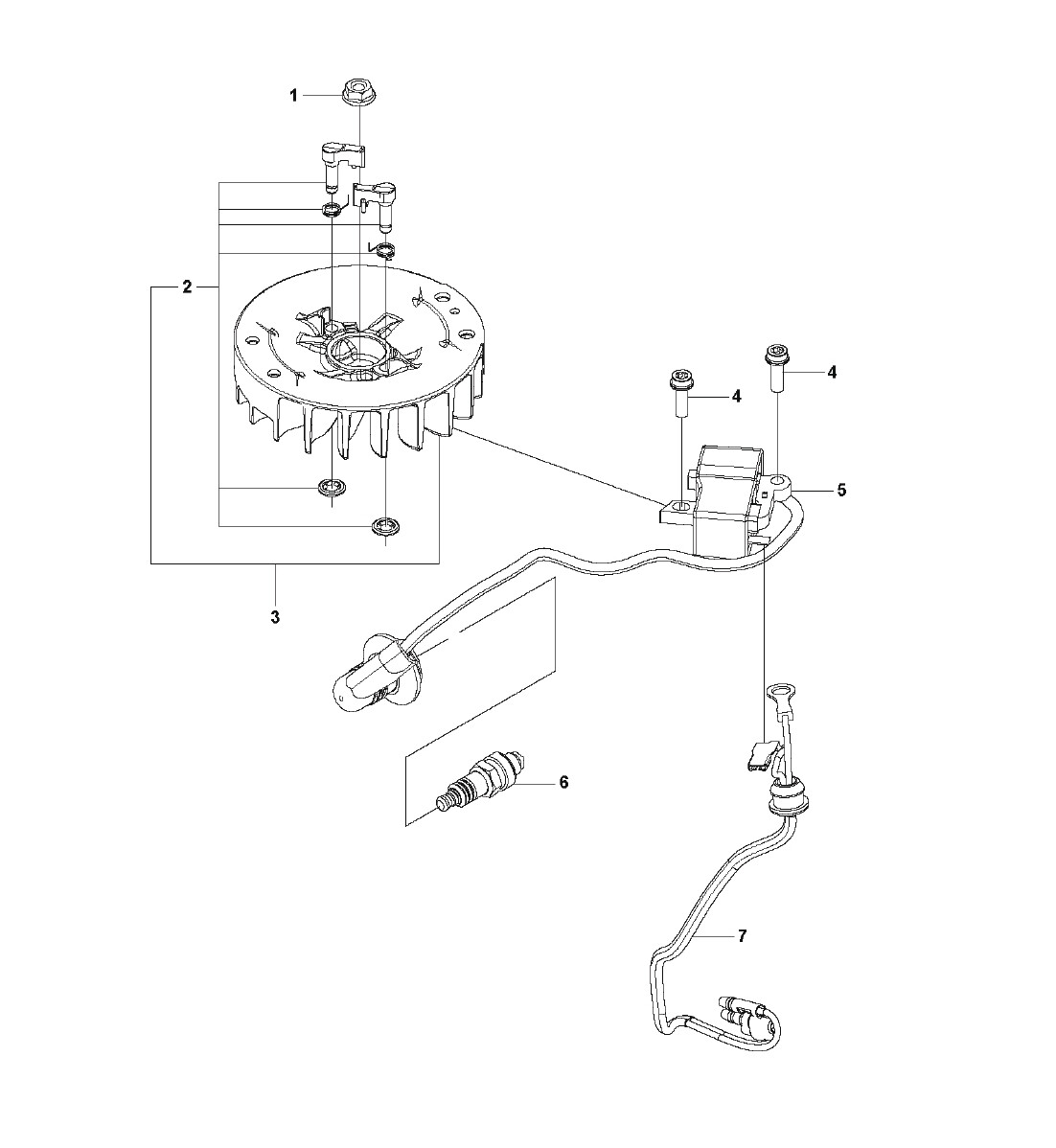
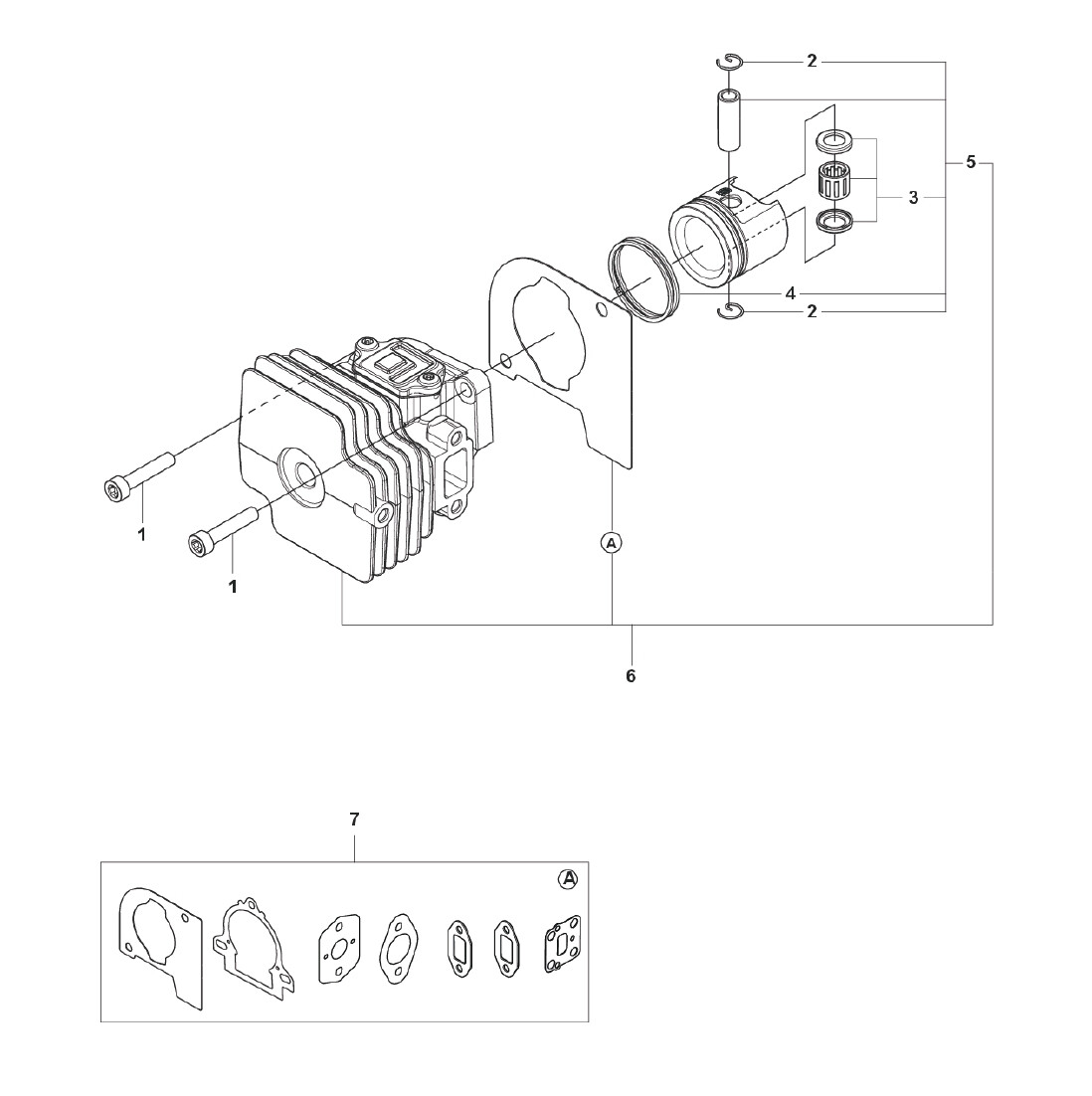
Diagrama ILP Cortasetos Husqvarna 522HDR75S

Buscador interno
Archivo PDF
El archivo pdf esta disponible

Secciones

Elige la sección de la cual quieres ver las partes.


Refacciones

Estas son algunas refacciones de este diagrama...

Ver todas las refacciones de este diagrama
Ver todas las refacciones de este diagrama

Equipos compatibles

Este diagrama es compatible con los siguientes articulos.
Marca Articulo Estatus
522HDR75S - CORTASETO HUSQVARNA 522HDR75S 21.7CC 0.8HP Este articulo se encuentra a la venta.
Ayuda

Contáctanos
Horario de atencion
Lunes a Viernes de 9:00am - 6:00pm
Sabados de 9:00am - 2:00pm
WhatsApp
7712402048
Ayuda