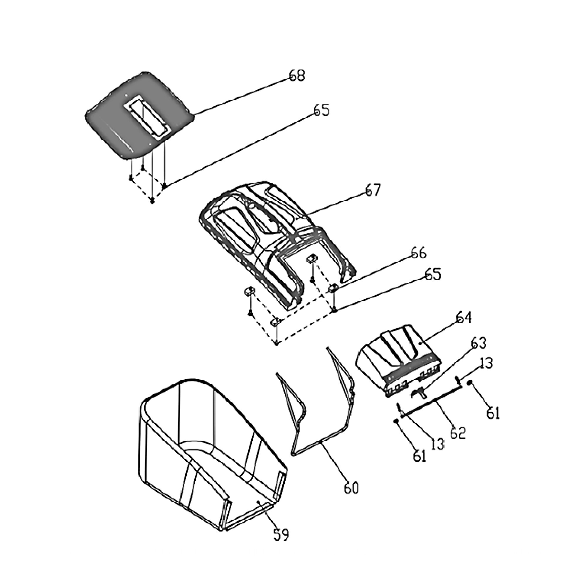
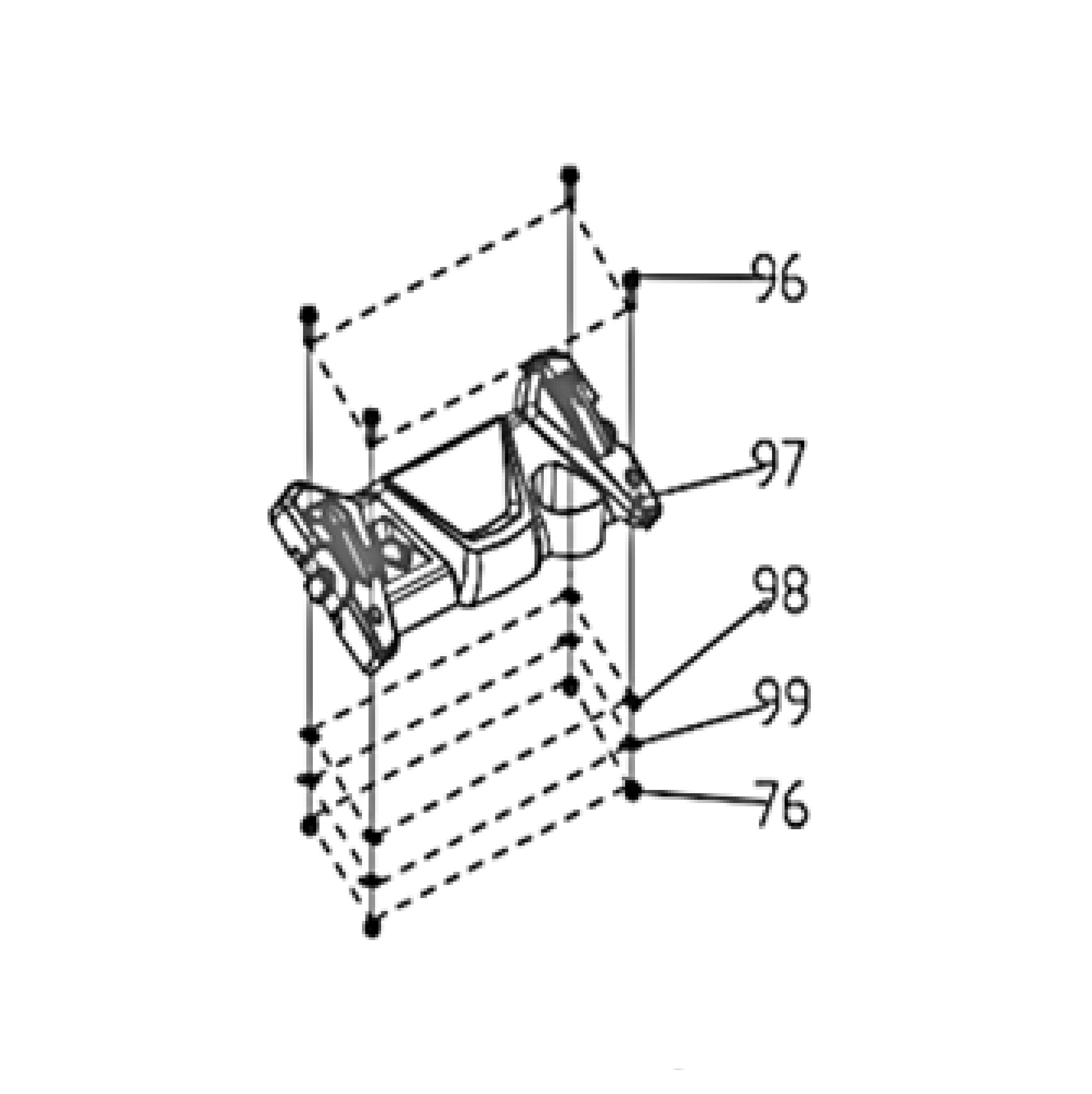
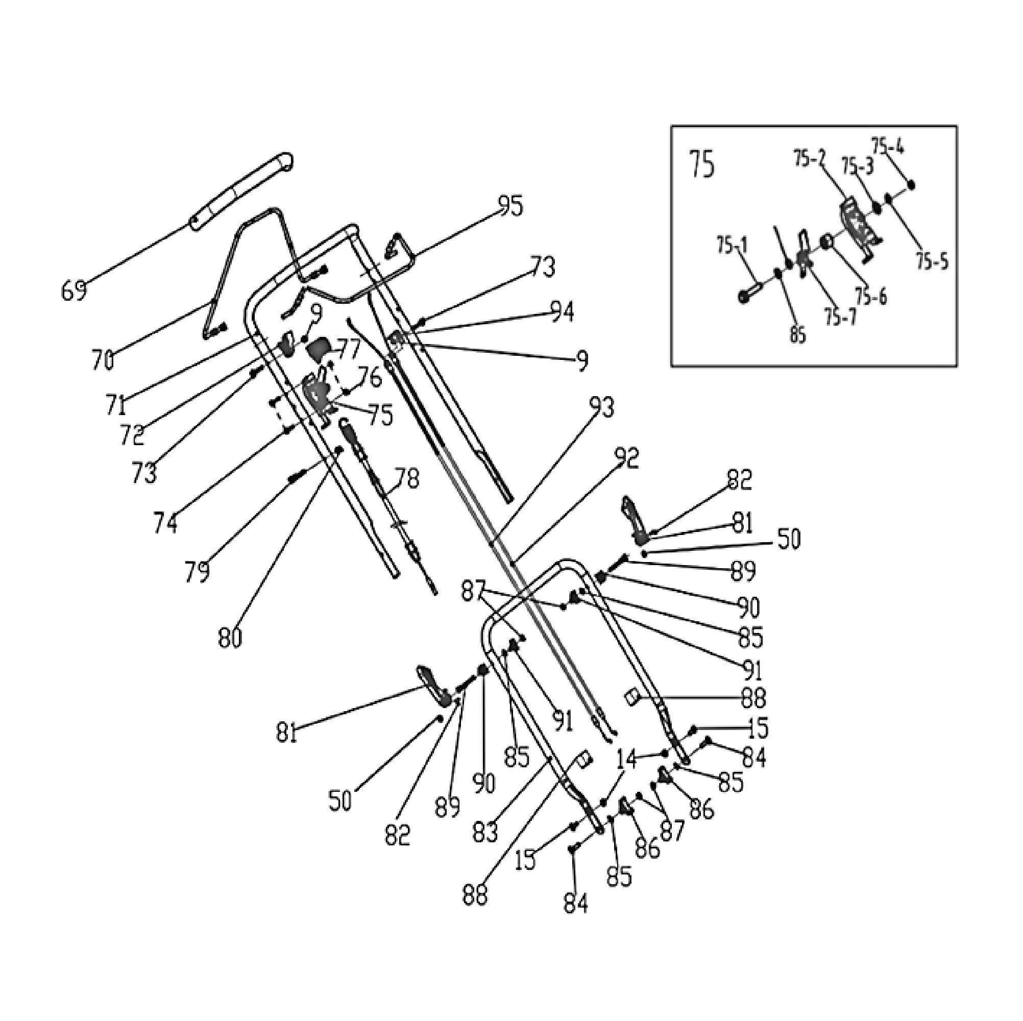
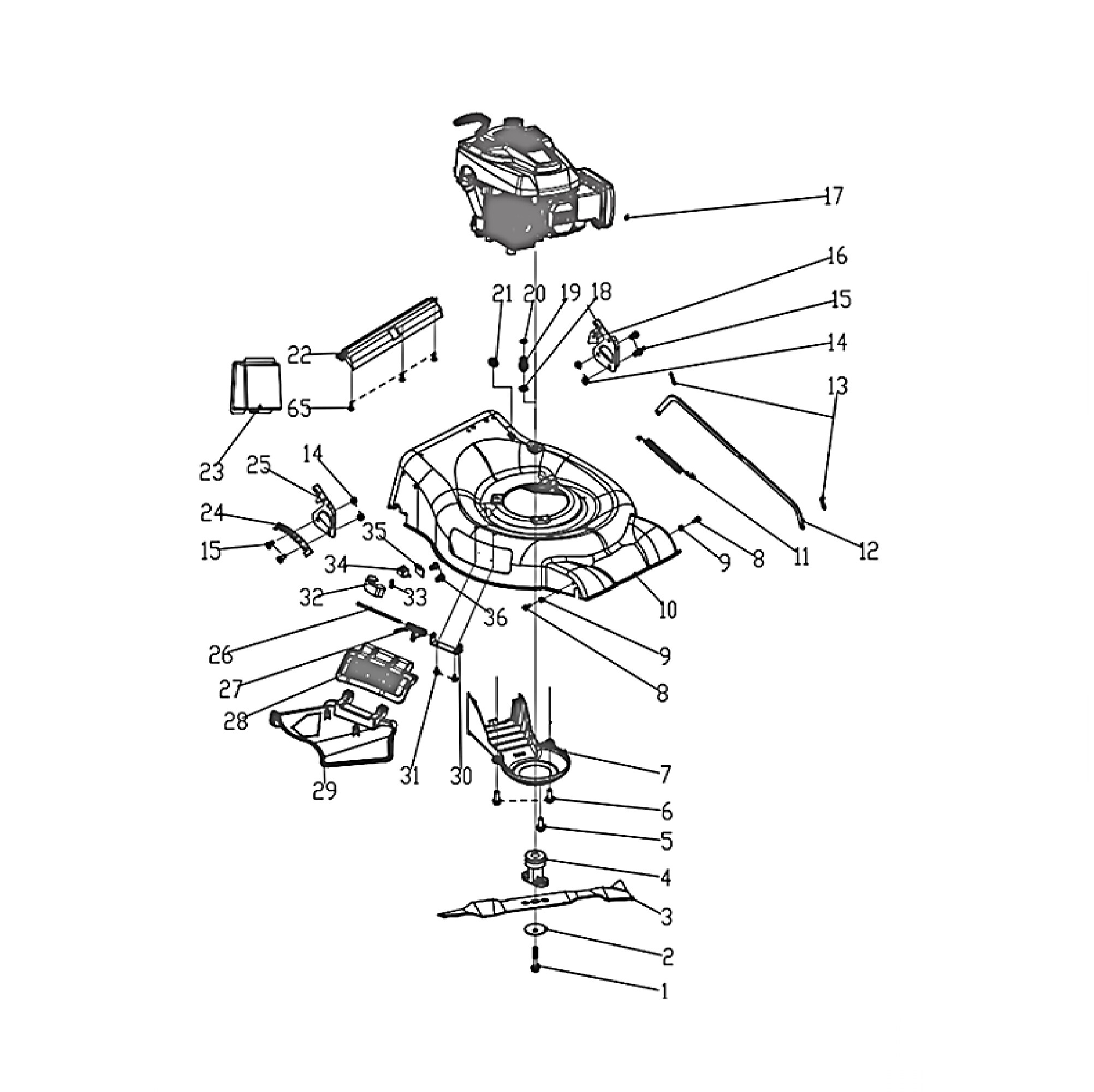
Diagrama IPL Podadora Tracción Toyama TLM510TRMS-60L

Buscador interno
Archivo PDF
El archivo pdf esta disponible

Secciones

Elige la sección de la cual quieres ver las partes.


Refacciones

Estas son algunas refacciones de este diagrama...

Ver todas las refacciones de este diagrama
Ver todas las refacciones de este diagrama

Equipos compatibles

Este diagrama es compatible con los siguientes articulos.
Marca Articulo Estatus
TLM510TRMS-60L - PODADORA TOYAMA TLM510TRMS-60L 173CC 6HP 20" Este articulo se encuentra a la venta.
Ayuda

Contáctanos
Horario de atencion
Lunes a Viernes de 9:00am - 6:00pm
Sabados de 9:00am - 2:00pm
WhatsApp
7712402048
Ayuda