Diagrama IPL Aspersora Husqvarna 321S25

Buscador interno
Busca unicamente dentro de las secciones del diagrama y se mostrará el diagrama y la sección a la que pertenece.

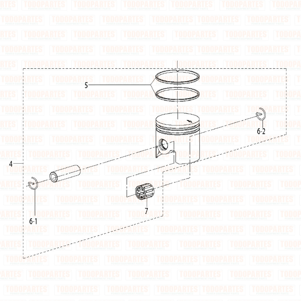
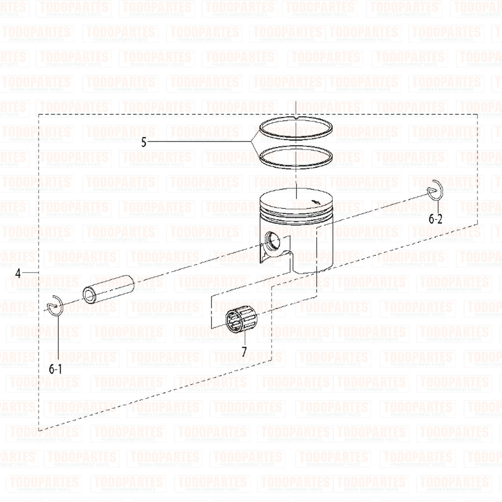
Sección CILINDRO COMPLETO

Partes de CILINDRO COMPLETO
1

Codigo barras

-

Código

-

Codigo fabricante

589877401

Descripcion

TORNILLO CILINDRO 321S25

Marca

Husqvarna
2

Codigo barras

-

Código

-

Codigo fabricante

590210801

Descripcion

CILINDRO Y PISTON 321S25

Marca

Husqvarna
3

Codigo barras

-

Código

-

Codigo fabricante

589535801

Descripcion

EMPAQUE CILINDRO 321S25

Marca

Husqvarna
4

Codigo barras

-

Código

-

Codigo fabricante

590210901

Descripcion

PISTON 321S25

Marca

Husqvarna
5

Codigo barras

-

Código

-

Codigo fabricante

589537001

Descripcion

ANILLO PISTON 321S25

Marca

Husqvarna
7

Codigo barras

-

Código

-

Codigo fabricante

589537901

Descripcion

BALERO BIELA CIGUEÑAL 321S25

Marca

Husqvarna
8

Codigo barras

-

Código

-

Codigo fabricante

589539101

Descripcion

CIGUEÑAL Y BIELA 321S25

Marca

Husqvarna
Número IPL Descripción Foto Agregar carrito
1
TORNILLO CILINDRO 32
Marca: Husqvarna
Cargando..
2
CILINDRO Y PISTON 32
Marca: Husqvarna
Cargando..
3
EMPAQUE CILINDRO 321
Marca: Husqvarna
Cargando..
4
PISTON 321S25
Marca: Husqvarna
Cargando..
5
ANILLO PISTON 321S25
Marca: Husqvarna
Cargando..
7
BALERO BIELA CIGUEÑA
Marca: Husqvarna
Cargando..
8
CIGUEÑAL Y BIELA 321
Marca: Husqvarna
Cargando..

Otras Secciones del diagrama IPL Aspersora Husqvarna 321S25


Compatibles

El diagrama es compatibles con los siguientes articulos.
Fotografia Clave Articulo Estatus
Fotografia.. 321S25 FUMIGADORA HUSQVARNA 25.4 CC 600PSI 2 LANZAS

Este articulo se encuentra a la venta.

Fotografia.. 321S25-3 FUMIGADORA HUSQVARNA 321S25 25.4 CC 1HP 600 PSI TRES LANZAS

Este articulo se encuentra a la venta.

Ayuda

Contáctanos
Horario de atencion
Lunes a Viernes de 9:00am - 6:00pm
Sabados de 9:00am - 2:00pm
WhatsApp
7712402048
Ayuda